PANDUIT Blank Tongue Lugs
Code Conductor, Short Blank Tongue, Standard Barrel with Window Lug
Type LCA-00
| Part |
Copper Conductor
Size
|
W | B | T | L |
Color
Code
|
Panduit
Die Index
No.?
|
Burndy
Die Index
No.?
|
T&B
Die Index
No.?
|
Wire
Strip
Length
|
| LCA8-00-L | #8 AWG | 0.6 | 0.56 | 0.05 | 1.56 | Red | P21 | 49 | 21 | 5/8 |
| LCA6-00-L | #6 AWG | 0.62 | 0.81 | 0.06 | 1.83 | Blue | P24 | 7 | 24 | 7/8 |
| LCA4-00-L |
#4–#3 AWG STR,
#2 AWG SOL
|
0.62 | 0.81 | 0.07 | 1.85 | Gray | P29 | 8 | 29 | 7/8 |
| LCA2-00-Q | #2 AWG | 0.75 | 0.88 | 0.08 | 2.21 | Brown | P33 | 10 | 33 | 15/16 |
| LCA1-00-E | #1 AWG | 0.75 | 0.88 | 0.09 | 2.23 | Green | P37 | 11 | 37 | 15/16 |
| LCA1/0-00-X | 1/0 AWG | 0.8 | 0.94 | 0.12 | 2.31 | Pink | P42 | 12 | 42 | 1 |
| LCA2/0-00-X | 2/0 AWG | 0.85 | 0.98 | 0.13 | 2.4 | Black | P45 | 13 | 45 | 1 |
| LCA3/0-00-X | 3/0 AWG | 0.96 | 1.14 | 0.13 | 2.59 | Orange | P50 | 14 | 50 | 1 |
| LCA4/0-00-X | 4/0 AWG | 1.06 | 1.19 | 0.14 | 2.68 | Purple | P54 | 15 | 54 | 1 1/4 |
| LCA300-00-X | 300 kcmil | 1.19 | 1.44 | 0.16 | 3.7 | White | P66 | 17 | 66 | 1 1/2 |
| LCA350-00-X | 350 kcmil | 1.28 | 1.44 | 0.17 | 3.74 | Red | P71 | 18 | 71 | 1 1/2 |
| LCA400-00-6 | 400 kcmil | 1.39 | 1.5 | 0.18 | 3.82 | Blue | P76 | 19 | 76 | 1 9/16 |
| LCA500-00-6 | 500 kcmil | 1.54 | 1.75 | 0.22 | 4.27 | Brown | P87 | 20 | 87 | 1 13/16 |
| LCA600-00-6 | 600 kcmil | 1.7 | 1.75 | 0.26 | 4.2 | Green | P94 | 22 | 94 | 1 13/16 |
Code Conductor, Long Blank Tongue, Standard Barrel with Window Lug
Type LCD-00

Part
W
B
T
L
LCD1/0-00-X
1/0 AWG
0.76
0.94
0.12
4.25
Pink
P42
12
42
1
LCD2/0-00-X
2/0 AWG
0.85
0.98
0.13
4.3
Black
P45
13
45
1 1/16
LCD3/0-00-X
3/0 AWG
0.96
1.14
0.13
4.5
Orange
P50
14
50
1 3/16
LCD4/0-00-X
4/0 AWG
1.06
1.19
0.14
4.58
Purple
P54
15
54
1 1/4
LCD250-00-X
250 kcmil
1.17
1.25
0.14
4.69
Yellow
P62
16
62
1 5/16
LCD300-00-X
300 kcmil
1.19
1.44
0.16
4.93
White
P66
17
66
1 1/2
LCD350-00-X
350 kcmil
1.28
1.44
0.17
4.97
Red
P71
18
71
1 1/2
LCD400-00-6
400 kcmil
1.39
1.5
0.18
5.05
Blue
P76
19
76
1 9/16
LCD500-00-6
500 kcmil
1.54
1.75
0.22
5.38
Brown
P87
20
87
1 13/16
LCD600-00-6
600 kcmil
1.7
1.75
0.26
5.43
Green
P94
22
94
1 13/16
LCD750-00-6
750 kcmil
1.89
1.88
0.26
5.65
Black
P106
24
106
1 15/16
LCD1000-00-3
1000 kcmil
2.17
1.88
0.32
5.77
White
P125
27
125
1 15/16
Code Conductor, Blank Tongue, Long Barrel Lug
Type LCC-00
| Part |
Figure
No.
|
Copper
Conductor
Size
|
W | B | T | L |
Color
Code
|
Panduit
Die Index
No.?
|
Burndy
Die Index
No.?
|
T&B
Die Index
No.?
|
Wire
Strip
Length
|
| LCC8-00-L | 1 | #8 AWG | 0.6 | 0.7 | 0.05 | 2.75 | Red | P21 | 49 | 21 | 3/4 |
| LCC6-00-L | 2 | #6 AWG | 0.75 | 1.13 | 0.16 | 5 | Blue | P24 | 7 | 24 | 1 1/8 |
| LCC4-00-L | 2 |
#4–#3 AWG STR,
#2 AWG SOL
|
0.75 | 1.13 | 0.16 | 5.06 | Gray | P29 | 8 | 29 | 1 1/8 |
| LCC2-00-Q | 1 | #2 AWG | 0.75 | 1.16 | 0.08 | 4.51 | Brown | P33 | 10 | 33 | 1 1/4 |
| LCC1-00-E | 1 | #1 AWG | 0.75 | 1.36 | 0.09 | 4.74 | Green | P37 | 11 | 37 | 1 7/16 |
| LCC1/0-00-X | 1 | 1/0 AWG | 0.8 | 1.44 | 0.12 | 4.86 | Pink | P42 | 12 | 42 | 1 1/2 |
| LCC2/0-00-X | 1 | 2/0 AWG | 0.85 | 1.5 | 0.13 | 4.98 | Black | P45 | 13 | 45 | 1 9/16 |
| LCC3/0-00-X | 1 | 3/0 AWG | 0.96 | 1.5 | 0.13 | 5.03 | Orange | P50 | 14 | 50 | 1 9/16 |
| LCC4/0-00-X | 1 | 4/0 AWG | 1.06 | 1.56 | 0.14 | 5.13 | Purple | P54 | 15 | 54 | 1 5/8 |
| LCC250-00-X | 1 | 250 kcmil | 1.17 | 1.6 | 0.14 | 5.23 | Yellow | P62 | 16 | 62 | 1 11/16 |
| LCC300-00-X | 1 | 300 kcmil | 1.19 | 2.23 | 0.16 | 5.94 | White | P66 | 17 | 66 | 2 5/16 |
| LCC350-00-X | 1 | 350 kcmil | 1.28 | 2.23 | 0.17 | 5.99 | Red | P71 | 18 | 71 | 2 5/16 |
| LCC400-00-6 | 1 | 400 kcmil | 1.39 | 2.29 | 0.18 | 6.1 | Blue | P76 | 19 | 76 | 2 3/8 |
| LCC500-00-6 | 1 | 500 kcmil | 1.54 | 2.49 | 0.22 | 6.36 | Brown | P87 | 20 | 87 | 2 9/16 |
| LCC600-00-6 | 1 | 600 kcmil | 1.7 | 2.68 | 0.26 | 6.63 | Green | P94 | 22 | 94 | 2 3/4 |
| LCC750-00-6 | 1 | 750 kcmil | 1.89 | 2.87 | 0.26 | 7.04 | Black | P106 | 24 | 106 | 2 15/16 |
| LCC1000-00-3 | 1 | 1000 kcmil | 2.17 | 2.99 | 0.32 | 7.29 | White | P125 | 27 | 125 | 3 1/16 |
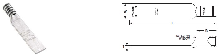
Code Conductor, Blank Tongue, Long Barrel with Window Lug
Type LCC-00W
| Part |
Copper
Conductor
Size
|
W | B | T | L |
Color
Code
|
Panduit
Die Index
No.?
|
Burndy
Die Index
No.?
|
T&B
Die Index
No.?
|
Wire
Strip
Length
|
| LCC8-00W-L | #8 AWG | 0.6 | 0.7 | 0.05 | 2.7 | Red | P21 | 49 | 21 | 3/4 |
| LCC6-00W-L | #6 AWG | 0.62 | 1.07 | 0.06 | 3.08 | Blue | P24 | 7 | 24 | 1 1/8 |
| LCC4-00W-L | #4 AWG | 0.62 | 1.05 | 0.08 | 3.09 | Gray | P29 | 8 | 29 | 1 1/8 |
| LCC2-00W-Q | #2 AWG | 0.75 | 1.16 | 0.08 | 4.41 | Brown | P33 | 10 | 33 | 1 1/4 |
| LCC1-00W-E | #1 AWG | 0.75 | 1.36 | 0.09 | 4.63 | Green | P37 | 11 | 37 | 1 7/16 |
| LCC1/0-00W-X | 1/0 AWG | 0.8 | 1.44 | 0.12 | 4.74 | Pink | P42 | 12 | 42 | 1 1/2 |
| LCC2/0-00W-X | 2/0 AWG | 0.85 | 1.5 | 0.13 | 4.83 | Black | P45 | 13 | 45 | 1 9/16 |
| LCC3/0-00W-X | 3/0 AWG | 0.96 | 1.5 | 0.13 | 4.87 | Orange | P50 | 14 | 50 | 1 9/16 |
| LCC4/0-00W-X | 4/0 AWG | 1.06 | 1.56 | 0.14 | 4.95 | Purple | P54 | 15 | 54 | 1 5/8 |
| LCC250-00W-X | 250 kcmil | 1.17 | 1.61 | 0.14 | 5.04 | Yellow | P62 | 16 | 62 | 1 11/16 |
| LCC300-00W-X | 300 kcmil | 1.19 | 2.24 | 0.16 | 5.73 | White | P66 | 17 | 66 | 2 5/16 |
| LCC350-00W-X | 350 kcmil | 1.28 | 2.24 | 0.17 | 5.77 | Red | P71 | 18 | 71 | 2 5/16 |
| LCC400-00W-6 | 400 kcmil | 1.28 | 2.3 | 0.17 | 5.85 | Blue | P76 | 19 | 76 | 2 3/8 |
| LCC500-00W-6 | 500 kcmil | 1.54 | 2.5 | 0.22 | 6.13 | Brown | P87 | 20 | 87 | 2 9/16 |
| LCC600-00W-6 | 600 kcmil | 1.7 | 2.69 | 0.26 | 6.37 | Green | P94 | 22 | 94 | 2 3/4 |






